+420 281 981 055
Wolkerova 433
CZ-250 82 Úvaly

RD 5 F

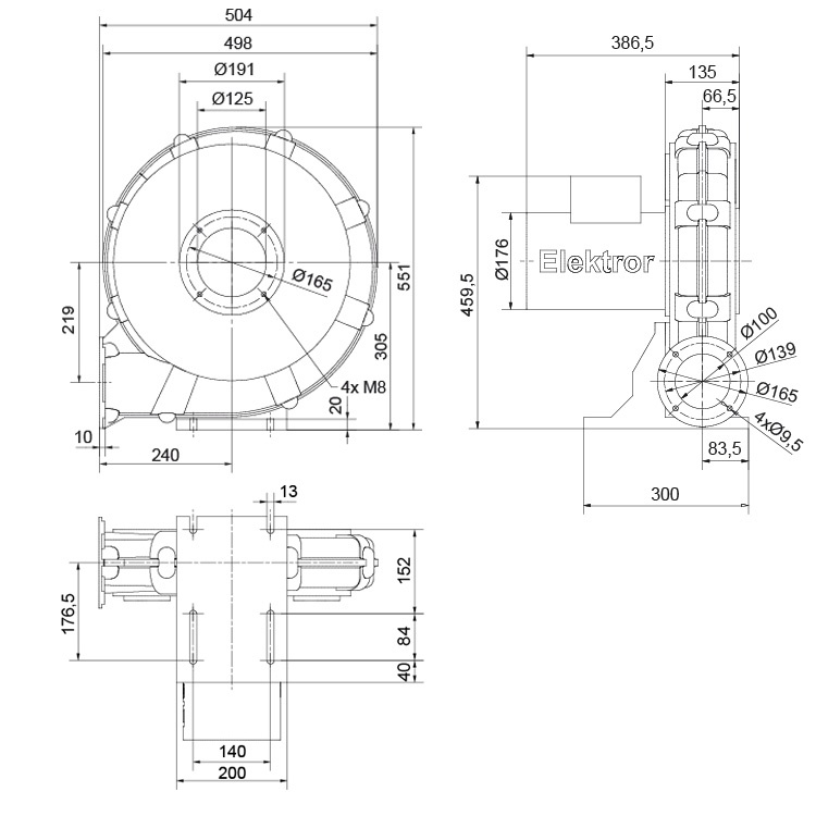
Radiální dopravní ventilátor se spirální skříní z litého hliníku a s oběžným kolem z oceli pro přímou pneudopravu lehkých sypkých materiálů. Zdařilá robustní konstrukce zajišťuje provoz bez vibrací a s nízkou hladinou hluku, dlouhou životnost a nízké provozní náklady.

Pohon napřímo obstarává 3-fázový asynchronní elektromotor s krytím IP54, na vyžádání IP55. Volitelně je možno pro ochranu motoru osadit PTC termistory nebo termokontaky či přizpůsobit motor pro provoz s frekvenčním měničem.

Příslušenství zahrnuje nástavce na hadice, přivařovací příruby nebo silentbloky.

Pro speciální aplikace je možno ventilátor přizpůsobit konkrétním požadavkům zákazníka, např. zvýšená plynotěsnost, impregnace vinutí do tropického a vlhkého prostředí, specifická napájecí napětí i frekvence, kyselinoodolný nátěr, poplastování nebo oběžné kolo a hřídel z nerezové oceli.

dotaz na produkt
Charakteristické křivky

Výkonové údaje

Frekvence Max.
průtok
Max.
tlak pt
Výkon
motoru
Napětí Proud Otáčky Hmotnost
Hz m3/h Pa kW V A min-1 kg
50 1 170 2 200 1,1 230/400 4,0/2,3 2 905 28,5

  • dovolená teplota média: -20°C až +60°C
  • dovolená teplota okolí: -20°C až +60°