+420 281 981 055
Wolkerova 433
CZ-250 82 Úvaly

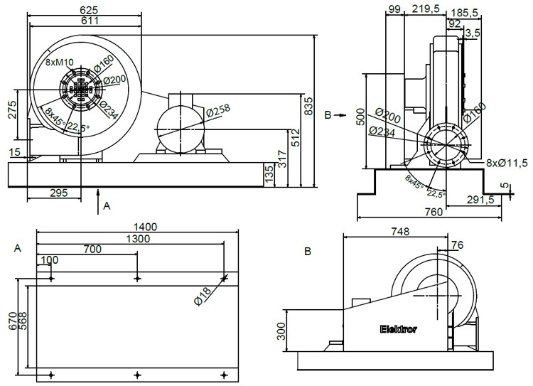
HRD 7/12

Radiální vysokotlaký ventilátor se spirální skříní z litého hliníku a s oběžným kolem z ocelových plechů. Díky použitým materiálům je ventilátor vysoce odolný proti korozi. Zdařilá robustní konstrukce zajišťuje provoz bez vibrací a s nízkou hladinou hluku, dlouhou životnost a nízké provozní náklady.

Pohon s řemenovým převodem obstarává 3-fázový asynchronní elektromotor s krytím IP54, na vyžádání IP55. Volitelně je možno pro ochranu motoru osadit PTC termistory nebo termokontaky či přizpůsobit motor pro provoz s frekvenčním měničem. Ventilátor, motor i řemenový převod jsou instalovány na společné základové desce.

Příslušenství zahrnuje sací filtry, kompenzátory, silentbloky, nástavce na hadice, potrubní nebo talířové tlumiče, protihlukové kryty, škrtící klapky a přivařovací příruby.

Pro speciální aplikace je možno ventilátor přizpůsobit konkrétním požadavkům zákazníka, např. zvýšená plynotěsnost, impregnace vinutí do tropického a vlhkého prostředí, specifická napájecí napětí i frekvence, kyselinoodolný nátěr nebo oběžné kolo a hřídel z nerezové oceli.

dotaz na produkt
Charakteristické křivky

Výkonové údaje

Frekvence Max.
průtok
Max.
tlak pt
Výkon
motoru
Napětí Proud Otáčky
motoru/
ventilátoru
Hmotnost
Hz m3/h Pa kW V A min-1 kg
50 5 280 9 900 11,0 400 ∆ 19,6 2 920 /
4 950
190

  • dovolená teplota média: -20°C až +80°C, s chladícím kotoučem až +180°C
  • dovolená teplota okolí: -20°C až +60°C