+420 281 981 055
Wolkerova 433
CZ-250 82 Úvaly

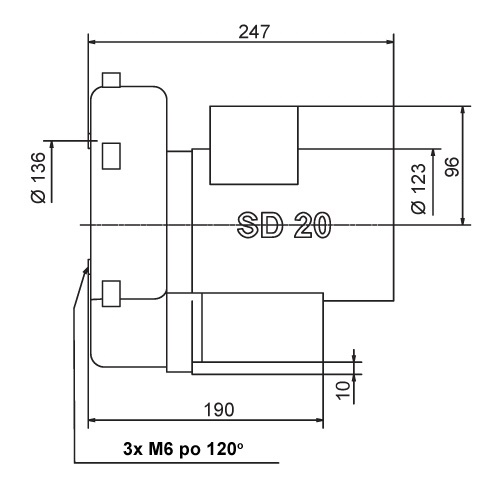
SD 20 M, SE 20

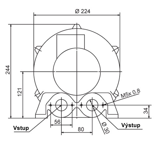
Jednostupňová vývěva s bočním (postranním) kanálem z hliníkové slitiny s vysokou odolností proti korozi. Zdařilá robustní konstrukce z hliníku litého do pískových forem zajišťuje provoz bez vibrací a s nízkou hladinou hluku, dlouhou životnost a nízké provozní náklady.

Pohon napřímo obstarává bezúdržbový 3-fázový nebo 1-fázový asynchronní elektromotor s krytím IP54, na vyžádání IP55. Volitelně je možno pro ochranu motoru osadit PTC termistory nebo termokontaky či přizpůsobit motor pro provoz s frekvenčním měničem.

Příslušenství zahrnuje sací filtry, nástavce na hadice, potrubní tlumiče, protihlukový kryt, pojistný ventil, reverzní jednotky, škrtící klapku, závitové nebo přivařovací příruby a frekvenční měniče.

Pro speciální aplikace je možno vývěvu přizpůsobit konkrétním požadavkům zákazníka, např. zvýšená plynotěsnost, krytí do tropického a vlhkého prostředí, specifická napájecí napětí i frekvence.

dotaz na produkt
Charakteristické křivky

Výkonové údaje

Typ Frekvence Max.
průtok
Max.
podtlak pt
Výkon
motoru
Napětí Proud Otáčky Hlučnost Hmotnost
- Hz m3/h mbar kW V A min-1 dB (A) kg
SD 20 M 50 53 -80 0,18 200-255/
346-440
0,9-1,1/
0,52-0,63
2 825 62 14,5
SE 20 50 57 -75 0,19 230 1,6 2 800 62 14,5

  • dovolené teploty média a okolí: -20°C až +40°C
Vývěvy
Zanechte nám svoje číslo,
my Vám rádi zavoláme