+420 281 981 055
Wolkerova 433
CZ-250 82 Úvaly

S-LP 146/74

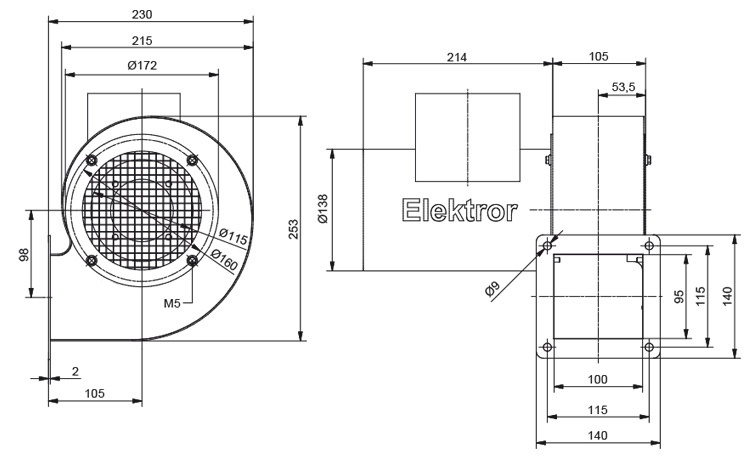
Radiální nízkotlaký ventilátor se spirální skříní z konstrukční nebo nerezové oceli a s oběžným kolem z pozinkované nebo nerezové oceli. Zdařilá robustní konstrukce zajišťuje provoz bez vibrací a s nízkou hladinou hluku, dlouhou životnost a nízké provozní náklady.

Pohon napřímo obstarává 3-fázový asynchronní elektromotor s krytím IP54, na vyžádání IP 55. Volitelně je možno pro ochranu motoru osadit PTC termistory nebo termokontaky či přizpůsobit motor pro provoz s frekvenčním měničem.

Příslušenství zahrnuje sací filtry, kompenzátory, silentbloky, nástavce na hadice, přechodové kusy a potrubní tlumiče.

Pro speciální aplikace je možno ventilátor přizpůsobit konkrétním požadavkům zákazníka, např. zvýšená plynotěsnost, krytí do tropického a vlhkého prostředí, specifická napájecí napětí i frekvence, pro teplotu média až 200°C nebo ATEX provedení.

dotaz na produkt
Charakteristické křivky

Výkonové údaje

Frekvence Max.
průtok
Max.
tlak pt
Výkon
motoru
Napětí Proud Otáčky Hmotnost
Hz m3/h Pa kW V A min-1 kg
50 1 230 800 0,37 230/400 1,73/1,0 2 825 10

  • dovolená teplota média: -20°C až +80°C, s úpravou až 300°C
  • dovolená teplota okolí: -20°C až +60°