+420 281 981 055
Wolkerova 433
CZ-250 82 Úvaly

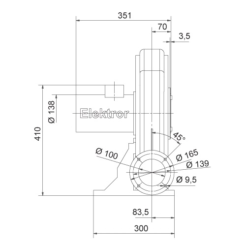
RD 5, RE 5

Radiální středotlaký ventilátor se spirální skříní z litého hliníku a s oběžným kolem z hliníkových plechů. Díky použitým materiálům je ventilátor vysoce odolný proti korozi. Zdařilá robustní konstrukce zajišťuje provoz bez vibrací a s nízkou hladinou hluku, dlouhou životnost a nízké provozní náklady.

Pohon napřímo obstarává 3-fázový nebo 1-fázový asynchronní elektromotor s krytím IP54, na vyžádání IP55. Volitelně je možno pro ochranu motoru osadit PTC termistory nebo termokontaky či přizpůsobit motor pro provoz s frekvenčním měničem.

Příslušenství zahrnuje sací filtry, kompenzátory, silentbloky, nástavce na hadice, potrubní nebo talířové tlumiče, protihlukové kryty, škrtící klapky a přivařovací příruby.

Pro speciální aplikace je možno ventilátor přizpůsobit konkrétním požadavkům zákazníka, např. zvýšená plynotěsnost, impregnace vinutí do tropického a vlhkého prostředí, specifická napájecí napětí i frekvence, kyselinoodolný nátěr, oběžné kolo a hřídel z nerezové oceli nebo ATEX provedení.

dotaz na produkt
Charakteristické křivky

Výkonové údaje

Typ Frekvence Max.
průtok
Max.
tlak pt
Výkon
motoru
Napětí Proud Otáčky Hmotnost
- Hz m3/h Pa kW V A min-1 kg
RD 5 50 1 080 2 200 0,55 230/400 2,5/1,45 2 840 23
RE 5 50 1 080 2 200 0,55 230 3,6 2 820 23

  • dovolená teplota média: -20°C až +80°C, s chladícím kotoučem až +180°C
  • dovolená teplota okolí: -20°C až +60°C