+420 281 981 055
Wolkerova 433
CZ-250 82 Úvaly

A-HP 225/37

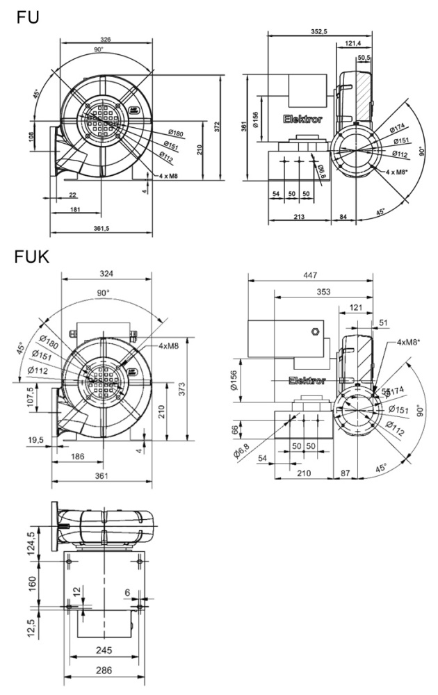
Radiální vysokotlaký ventilátor se spirální skříní z litého hliníku a s oběžným kolem z hliníkových plechů. Díky použitým materiálům je ventilátor vysoce odolný proti korozi. Zdařilá robustní konstrukce zajišťuje provoz bez vibrací a s nízkou hladinou hluku, dlouhou životnost a nízké provozní náklady.

Pohon napřímo obstarává vysokootáčkový asynchronní elektromotor s krytím IP54, na vyžádání IP55. Použitím tohoto motoru o max. frekvenci až 140 Hz je možno dosáhnout vyšších výkonů při velice kompaktní konstrukci. Ventilátor musí být napájen přes externí (provedení FU) nebo integrovaný (FUK) frekvenční měnič. Ve standardu je osazen PTC termistory pro ochranu vinutí motoru a silentbloky.

Příslušenství zahrnuje frekvenční měniče, sací filtr, kompenzátory, nástavce na hadice, potrubní tlumiče, protihlukové kryty, škrtící klapky, přivařovací příruby a sadu na kontrolu vibrací.

Pro speciální aplikace je možno ventilátor přizpůsobit konkrétním požadavkům zákazníka, např. zvýšená plynotěsnost, impregnace vinutí do tropického a vlhkého prostředí, kyselinoodolný nátěr nebo oběžné kolo a hřídel z nerezové oceli.

dotaz na produkt
Charakteristické křivky

Výkonové údaje

Typ Frekvence Průtok Max.
tlak pt
Výkon
motoru
Napětí Proud Otáčky Hmotnost
- Hz m3/h Pa kW V A min-1 kg
A-HP 225/37 FU-140/2,2 140 942 7 000 2,2 400 ∆ 5,4 8 285 21
A-HP 225/37 FU-140/3,0 140 1 764 7 000 3,0 400 ∆ 6,1 8 260 21

  • provedení FU: je nutno instalovat externí frekvenční měnič
  • provedení FUK: je instalován integrovaný frekvenční měnič
  • dovolená teplota média: -20°C až +80°C, s chladícím kotoučem až +180°C
  • dovolená teplota okolí: -20°C až +40°C
Frekvenční měniče ACS 180 s jednofázovým nebo třífázovým napájením jsou konstruované pro zabudování do strojních zařízení. Jedná se o jednoduché kompaktní měniče s komfortním a robustním rozhraním se skalárním nebo vektorovým bezsenzorovým řízením.

Měniče mají integrovaný ovládací panel s jasným LCD displejem, vestavěný PID regulátor, rozhraní EIA-485 s podporou protokolu Modbus RTU, vestavěný brzdný chopper (od 5,5 kW), EMC filtr pro 2. prostředí, kategorie C3 a funkci bezpečného odpojení kroutícího momentu (STO).

Jednoduchá montáž na záda rozvaděče nebo na DIN lištu (rámy R0 - R2 pouze s adaptérem) s krytím IP20. Standardně lakované desky plošných spojů pro náročné provozní podmínky. Flexibilní instalace a široké příslušenství (externí ovládací panely, "studený" konfigurační adaptér, externí potenciometr, vstupní a výstupní tlumivky, du/dt filtry, brzdné odpory, sady pro instalaci na DIN lištu).
detail
Kompaktní frekvenční měniče Kostal Inveor M s jednofázovým nebo třífázovým napájením jsou speciálně konstruované pro přímou instalaci na téměř všechny typy běžných elektromotorů. Jedná se o vysoce kompaktní měniče s komfortním a robustním rozhraním s vektorovým řízením.

Měniče mají integrovaný potenciometr, PID regulátor, rozhraní RS-485 s podporou protokolu Modbus RTU, "soft-PLC" dle EN61131-3, vestavěný brzdný chopper a EMC filtr pro 1. prostředí, kategorie C2.

Jednoduchá montáž na motor nebo na stěnu. Vysoké krytí IP65 nebo IP55 (výkony 11 až 22 kW). Flexibilní instalace a široké příslušenství (ovládací panel, PC software, externí potenciometr, brzdné odpory, komunikační karty, montážní adaptéry).
detail