+420 281 981 055
Wolkerova 433
CZ-250 82 Úvaly

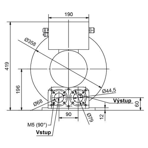
SD 4n FU/FUK-80/4,0

Jednostupňová vývěva s bočním (postranním) kanálem z hliníkové slitiny s vysokou odolností proti korozi. Zdařilá robustní konstrukce z hliníku litého do pískových forem zajišťuje provoz bez vibrací a s nízkou hladinou hluku, dlouhou životnost a nízké provozní náklady.

Pohon napřímo obstarává bezúdržbový vysokootáčkový asynchronní elektromotor s krytím IP54, na vyžádání IP55. Použitím tohoto motoru je možno dosáhnout vyšších výkonů při velice kompaktní konstrukci. Vývěva musí být napájena přes externí (provedení FU) nebo integrovaný (FUK) frekvenční měnič. Elektromotor je ve standardu osazen PTC termistory pro ochranu vinutí.

Příslušenství zahrnuje sací filtry, nástavce na hadice, potrubní tlumiče, protihlukový kryt, pojistný ventil, reverzní jednotky, škrtící klapku, závitové nebo přivařovací příruby a frekvenční měniče.

Pro speciální aplikace je možno vývěvu přizpůsobit konkrétním požadavkům zákazníka, např. zvýšená plynotěsnost nebo krytí do tropického a vlhkého prostředí.

dotaz na produkt
Charakteristické křivky

Výkonové údaje

Typ Frekvence Max.
průtok
Max.
podtlak pt
Výkon
motoru
Napětí Proud Otáčky Hlučnost Hmotnost
- Hz m3/h mbar kW V A min-1 dB (A) kg
SD 4n
FU-80/4,0
80 240 -340 4,0 400 ∆ 7,8 4 670 72 27
SD 4n
FUK-80/4,0
80 240 -340 4,0 400 ∆ 7,8 4 670 72 37

  • provedení FU: je nutno instalovat externí frekvenční měnič
  • provedení FUK: je instalován integrovaný frekvenční měnič
  • dovolené teploty média a okolí: -20°C až +40°C
Frekvenční měniče ACS 180 s jednofázovým nebo třífázovým napájením jsou konstruované pro zabudování do strojních zařízení. Jedná se o jednoduché kompaktní měniče s komfortním a robustním rozhraním se skalárním nebo vektorovým bezsenzorovým řízením.

Měniče mají integrovaný ovládací panel s jasným LCD displejem, vestavěný PID regulátor, rozhraní EIA-485 s podporou protokolu Modbus RTU, vestavěný brzdný chopper (od 5,5 kW), EMC filtr pro 2. prostředí, kategorie C3 a funkci bezpečného odpojení kroutícího momentu (STO).

Jednoduchá montáž na záda rozvaděče nebo na DIN lištu (rámy R0 - R2 pouze s adaptérem) s krytím IP20. Standardně lakované desky plošných spojů pro náročné provozní podmínky. Flexibilní instalace a široké příslušenství (externí ovládací panely, "studený" konfigurační adaptér, externí potenciometr, vstupní a výstupní tlumivky, du/dt filtry, brzdné odpory, sady pro instalaci na DIN lištu).
detail
Frekvenční měniče pro všeobecné použití ACS 580 s třífázovým napájením jsou konstruovány pro široké použití u výrobců strojů (OEM) i koncových uživatelů. Jedná se o univerzální měniče s komfortním a robustním rozhraním, rozsáhlou výbavou a skalárním nebo vektorovým bezsenzorovým řízením.

Měniče mají odnímatelný asistenční ovládací panel, vestavěný PID regulátor, rozhraní EIA-485 s podporou protokolu Modbus RTU, vestavěný brzdný chopper (do 22 kW), vstupní tlumivku s proměnnou indukčností, EMC filtr pro 1. prostředí, kategorie C2 a funkci bezpečného odpojení kroutícího momentu (STO) SIL 3/PL e.

Jednoduchá montáž. Závěsné provedení na stěnu s krytím IP21 nebo IP55. Standardně lakované desky plošných spojů pro náročné provozní podmínky.

Flexibilní instalace a široké příslušenství ("studený" konfigurační adaptér, externí potenciometr, rozšiřující moduly vstupů a výstupů, brzdné odpory, adaptér pro vzdálené monitorování, karty pro sériovou komunikaci, du/dt filtry).
detail
Kompaktní frekvenční měniče Kostal Inveor M s jednofázovým nebo třífázovým napájením jsou speciálně konstruované pro přímou instalaci na téměř všechny typy běžných elektromotorů. Jedná se o vysoce kompaktní měniče s komfortním a robustním rozhraním s vektorovým řízením.

Měniče mají integrovaný potenciometr, PID regulátor, rozhraní RS-485 s podporou protokolu Modbus RTU, "soft-PLC" dle EN61131-3, vestavěný brzdný chopper a EMC filtr pro 1. prostředí, kategorie C2.

Jednoduchá montáž na motor nebo na stěnu. Vysoké krytí IP65 nebo IP55 (výkony 11 až 22 kW). Flexibilní instalace a široké příslušenství (ovládací panel, PC software, externí potenciometr, brzdné odpory, komunikační karty, montážní adaptéry).
detail
Vývěvy
Zanechte nám svoje číslo,
my Vám rádi zavoláme