+420 281 981 055
Wolkerova 433
CZ-250 82 Úvaly

SCL K06-MS MOR-3,0 // Ex II 2G/3G c T3

ATEX vývěva s bočním (postranním) kanálem do výbušného prostředí kategorie 2G/3G (zóna 1 uvnitř a zóna 2 vně). Je certifikována pro plyny podskupiny IIB a bioplyn. Cenově příznivý kompromis v případech, kdy v okolí vývěvy není definována přísnější zóna 1.

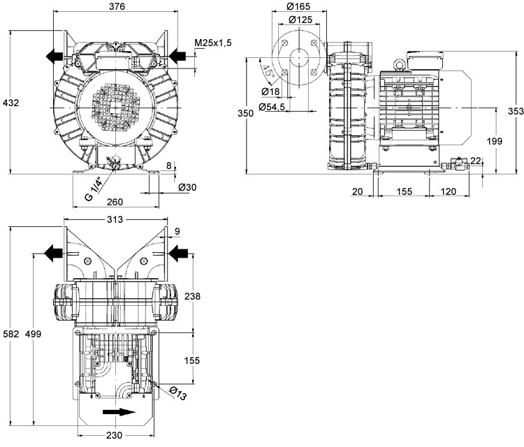
Vývěva je jednostupňová, bezmazá, vzduchem chlazená a je vyrobena z hliníkové slitiny. Části v kontaktu s médiem jsou anodizovány a impregnovány speciálním nátěrem, což zvyšuje odolnost hliníkové slitiny proti korozivním kyselinám (např. amoniak, sulfan, atd.). Odolnost zlepšují také šrouby z nerezové oceli.

Vývěva se dodává v provedení se zvýšenou plynotěsností, které zahrnuje teflonovu ucpávku hřídele a NBR těsnění. Součástí je odvod kondenzátu s ručním kulovým kohoutem z nerezové oceli AISI 316.

ATEX motor v nejiskřivém provedení "nA" a s teplotní třídou T3 je osazen termokontaktem pro ochranu vinutí. Pozn.: s tímto motorem není možný provoz s frekvenčním měničem.

dotaz na produkt
Charakteristické křivky

Výkonové údaje

Frekvence Max.
průtok
Max.
podtlak pt
Výkon
motoru
Napětí Otáčky Hlučnost Hmotnost
Hz m3/h mbar kW V min-1 dB (A) kg
50 305 -200 3,0 230/400 2 900 77,9 35

  • dovolené teploty média a okolí: -15°C až +40°C
  • ATEX označení dmychadla: II 2G/3G c T3
  • ATEX označení motoru: II 3G EEx nA II T3
Vývěvy
Zanechte nám svoje číslo,
my Vám rádi zavoláme