+420 281 981 055
Wolkerova 433
CZ-250 82 Úvaly

LEX 90

Jednostupňová vodokružná vývěva se zvonovou přírubou pro připojení spojky a motoru. Je použitelná pro čerpání téměř všech plynů a par i s vyšším obsahem kapalných příměsí v různých průmyslových aplikacích a zařízeních.

Je 100% bezolejová a je konstruována pro trvalý provoz s nízkými nároky na údržbu. Dodává se v litinovém provedení s nerezovým oběžným kolem nebo v celonerezovém provedení.

Během provozu je vývěvě nutné dodávat potřebné množství pracovní kapaliny (obvykle voda), která vytváří kapalinový prstenec a zároveň odvádí kompresní teplo. Pracovní kapalina je poté vyfukována spolu s nasávaným médiem, pro oddělení kapaliny a vzduchu se za výtlak vývěvy obvykle instaluje odlučovač. Na sání vývěvy doporučujeme použít zpětnou klapku.

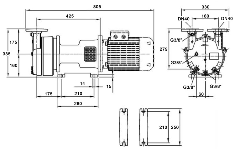
Vývěva se standardně dodává s volnou hřídelí a zvonovou přírubou, na vyžádání kompletní sestava s přírubovým motorem B5 na spojku.

Základní příslušenství zahrnuje odlučovače na sání i výtlaku, zpětné klapky a antikavitační ventil.

dotaz na produkt
Charakteristické křivky

Výkonové údaje

Frekvence Max.
čerpací
rychlost
Koncový
tlak
Příkon
při max.
otáčkách
Max.
povolené
otáčky
Hlučnost Hmotnost Max. průtok
servisní
kapaliny
Hz m3/h mbar (abs.) kW min-1 dB (A) kg m3/h
50 / 60 76 / 87 33 2,2 / 4,0 1 450 / 1 750 72 ± 2 80 0,7
Vývěvy
Zanechte nám svoje číslo,
my Vám rádi zavoláme