+420 281 981 055
Wolkerova 433
CZ-250 82 Úvaly

K08-MS GOR TMD // Ex II 2G c T3

ATEX vývěva s bočním (postranním) kanálem do výbušného prostředí kategorie 2G (zóna 1 uvnitř i vně).

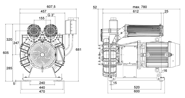
Vývěva je jednostupňová, bezmazá, vzduchem chlazená a je vyrobena z hliníkové slitiny. Je osazena elastickou spojkou s nerezovým krytem (AISI 430). Části v kontaktu s médiem jsou anodizovány a impregnovány speciálním nátěrem, což zvyšuje odolnost hliníkové slitiny proti korozivním kyselinám a plynům jako např. amoniak, sulfan, atd. Odolnost zlepšují také šrouby z nerezové oceli.

Vývěva se dodává v provedení se zvýšenou plynotěsností, které zahrnuje dvojitou mechanickou ucpávku hřídele pro minimalizaci úniků a NBR těsnění.

ATEX motor s pevným závěrem "d" v teplotní třídě T3 je osazen PTC termistorem pro ochranu vinutí a je možno jej provozovat přes frekvenční měnič.

dotaz na produkt
Charekteristické křivky

Výkonové údaje

Typ Frekvence Max.
průtok
Max.
podtlak pt
Výkon
motoru
Napětí Otáčky Hlučnost Hmotnost
(bez motoru)
- Hz m3/h mbar kW V min-1 dB (A) kg
K08-MS / 5,5 50 501 -220 5,5 400/690 2 900 77,1 73
K08-MS / 7,5 50 501 -275 7,5 400/690 2 900 77,7 73

  • dovolené teploty média a okolí: -15°C až +40°C
  • ATEX označení dmychadla: II 2G c T3
  • ATEX označení motoru: II 2G EEx d IIB T3
Vývěvy
Zanechte nám svoje číslo,
my Vám rádi zavoláme