+420 281 981 055
Wolkerova 433
CZ-250 82 Úvaly

K04-MS MOR // Ex II 3G/D c T3/T125

ATEX vývěva s bočním (postranním) kanálem do výbušného prostředí kategorie 3G (zóna 2 uvnitř i vně) a 3D (zóna 22 uvnitř i vně).

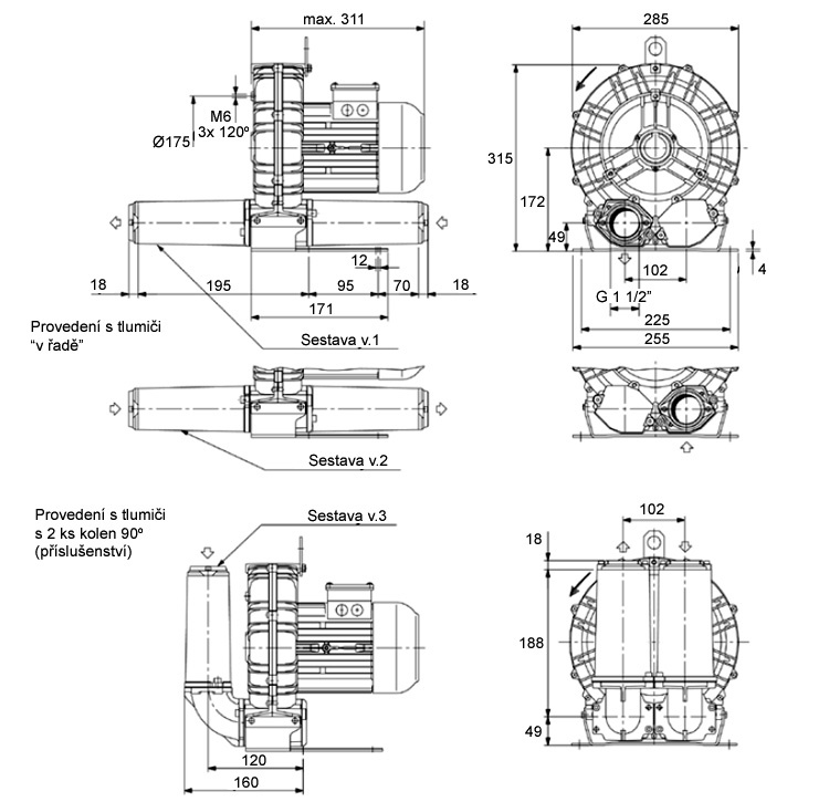
Vývěva je jednostupňová, bezmazá, vzduchem chlazená a je vyrobena z hliníkové slitiny. Části v kontaktu s médiem mohou být anodizovány a impregnovány speciálním nátěrem, což zvyšuje odolnost hliníkové slitiny proti korozivním kyselinám a plynům (např. amoniak, sulfan, atd.).

Vývěvu je možno dodat v provedení se zvýšenou plynotěsností, které zahrnuje teflonovu ucpávku hřídele a NBR těsnění.

ATEX motor v nejiskřivém provedení "nA" a s teplotní třídou T3 je osazen termokontaktem pro ochranu vinutí. Pozn.: s tímto motorem není možný provoz s frekvenčním měničem.

dotaz na produkt
Charakteristické křivky

Výkonové údaje

Typ Frekvence Max.
průtok
Max.
podtlak pt
Výkon
motoru
Napětí Otáčky Hlučnost Hmotnost
- Hz m3/h mbar kW V min-1 dB (A) kg
K04-MS / 0,75 50 137 -140 0,75 230/400 2 900 61,6 17,1
K04-MS / 1,1 50 137 -200 1,1 230/400 2 900 61,8 18,5

  • dovolené teploty média a okolí: -15°C až +40°C
  • ATEX označení dmychadla: II 3G/D c T3/T125
  • ATEX označení motoru: II 3G EEx nA II T3 / II 3D T125°C
Vývěvy
Zanechte nám svoje číslo,
my Vám rádi zavoláme