+420 281 981 055
Wolkerova 433
CZ-250 82 Úvaly

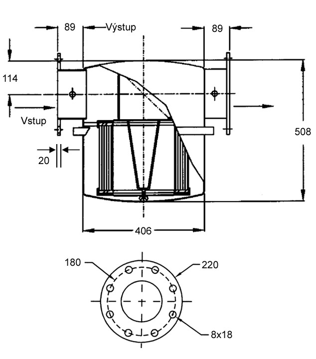
VS-275P-DN100

Sací vakuový filtr pro náročné podmínky v "T" konfiguraci s vysokou účinností a spodním přístupem k filtrační vložce pro snadné čištění.

Standardně s polyesterovou vložkou s vysokou zachytávací schopností (99%+ do 5 µm), nízkou tlakovou ztrátou a polyuretanovým předfiltrem na větší nečistoty.

Kompaktní robustní konstrukce pro prostorově omezené instalace z trvanlivé uhlíkové oceli s šedým vypalovaným emailovým lakem. Dolů odnímatelný kryt, odolná utahovací "V" pásková spona a kvalitní těsnění pro hluboké vakuum. Možnost konstrukce z nerezové oceli.

Různé druhy filtračních vložek (papírové, HEPA, nerezové, drátěné,...).

Filtry řady VS je možno modifikovat dle specifických požadavků zákazníka, např. montážní konzola, větší spodní kryt, jiné připojení,...

Vhodným příslušenstvím je diferenční manometr kontroly zanesení vložky.

dotaz na produkt
  • provozní teplota: -26°C až +104°C
  • výměna vložky: 35 - 50 mbar nad počáteční ∆p

Průtok filtr Průtok vložka Připojení Označení vložky Hmotnost
m3/h m3/h příruba PN 10 kg
885 1 870 DN100 275P 29
Kompaktní filtrační vložka. Plisovaný (skládaný) polyesterový filtrační materiál s vysokou zachytávací schopností 99%+ do 5 µm.

Filtrační materiál je z obou stran zesílen drátěňkou s epoxidovým povlakem. Koncovky s galvanizovaného plechu, vnitřní opěrná mřížka z galvanizovaného tahokovu, neoprénová těsnění. Velká filtrační plocha při dané velikosti.

Součástí je polyuretanový předfiltr (písmeno P), který zvyšuje účinnost a životnost.

Odolná proti vlhkosti. Omyvatelná vlažnou vodou nebo mírným čistícím prostředkem.
detail
Zanechte nám svoje číslo,
my Vám rádi zavoláme