+420 281 981 055
Wolkerova 433
CZ-250 82 Úvaly

K09-MS GOR TMD // Ex II 2G c T3

ATEX dmychadlo s bočním (postranním) kanálem do výbušného prostředí kategorie 2G (zóna 1 uvnitř i vně).

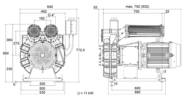
Dmychadlo je jednostupňové, bezmazé, vzduchem chlazené a je vyrobeno z hliníkové slitiny. Je osazeno elastickou spojkou s nerezovým krytem (AISI 430). Části v kontaktu s médiem jsou anodizovány a impregnovány speciálním nátěrem, což zvyšuje odolnost hliníkové slitiny proti korozivním kyselinám a plynům jako např. amoniak, sulfan, atd. Odolnost zlepšují také šrouby z nerezové oceli.

Dmychadlo se dodává v provedení se zvýšenou plynotěsností, které zahrnuje dvojitou mechanickou ucpávku hřídele pro minimalizaci úniků a NBR těsnění.

ATEX motor s pevným závěrem "d" v teplotní třídě T3 je osazen PTC termistorem pro ochranu vinutí a je možno jej provozovat přes frekvenční měnič.

dotaz na produkt
Charakteristické křivky

Výkonové údaje

Typ Frekvence Max.
průtok
Max.
tlak pt
Výkon
motoru
Napětí Otáčky Hlučnost Hmotnost
(bez motoru)
- Hz m3/h mbar kW V min-1 dB (A) kg
K09-MS / 5,5 50 657 175 5,5 400/690 2 900 78,2 87
K09-MS / 7,5 50 657 250 7,5 400/690 2 900 78,5 87
K09-MS / 11 50 657 350 11,0 400/690 2 900 79 90

  • dovolené teploty média a okolí: -15°C až +40°C
  • ATEX označení dmychadla: II 2G c T3
  • ATEX označení motoru: II 2G EEx d IIB T3
Dmychadla
Zanechte nám svoje číslo,
my Vám rádi zavoláme