+420 281 981 055
Wolkerova 433
CZ-250 82 Úvaly

K08-MS MOR // Ex II 3G/D c T3/T125

ATEX dmychadlo s bočním (postranním) kanálem do výbušného prostředí kategorie 3G (zóna 2 uvnitř i vně) a 3D (zóna 22 uvnitř i vně).

Dmychadlo je jednostupňové, bezmazé, vzduchem chlazené a je vyrobeno z hliníkové slitiny. Části v kontaktu s médiem mohou být anodizovány a impregnovány speciálním nátěrem, což zvyšuje odolnost hliníkové slitiny proti korozivním kyselinám a plynům (např. amoniak, sulfan, atd.).

Dmychadlo je možno dodat v provedení se zvýšenou plynotěsností, které zahrnuje teflonovu ucpávku hřídele a NBR těsnění.

ATEX motor v nejiskřivém provedení "nA" a s teplotní třídou T3 je osazen termokontaktem pro ochranu vinutí. Pozn.: s tímto motorem není možný provoz s frekvenčním měničem.

dotaz na produkt
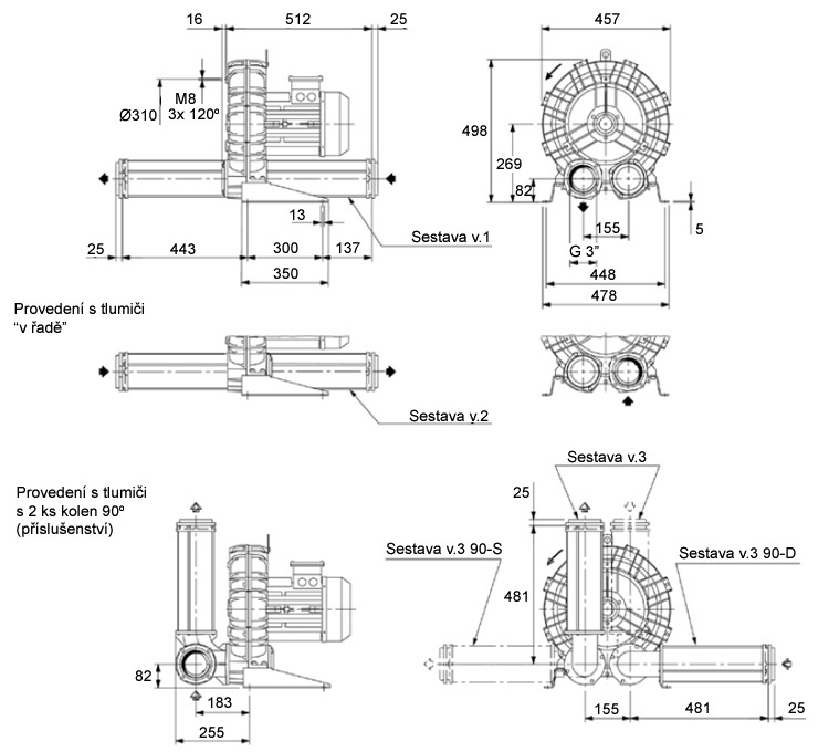
Charakteristické křivky

Výkonové údaje

Typ Frekvence Max.
průtok
Max.
tlak pt
Výkon
motoru
Napětí Otáčky Hlučnost Hmotnost
- Hz m3/h mbar kW V min-1 dB (A) kg
K08-MS / 4,0 50 536 160 4,0 400/690 2 900 77,7 61
K08-MS / 5,5 50 536 220 5,5 400/690 2 900 78 72
K08-MS / 7,5 50 536 325 7,5 400/690 2 900 78,3 77,5

  • dovolené teploty média a okolí: -15°C až +40°C
  • ATEX označení dmychadla: II 3G/D c T3/T125
  • ATEX označení motoru: II 3G EEx nA II T3 / II 3D T125°C
Dmychadla
Zanechte nám svoje číslo,
my Vám rádi zavoláme